5216202 UMG 604 E-PRO 230V Janitza Vietnam | DienCN247
1. Giới thiệu của UMG 604 E-PRO 230V (5216202)
UMG 604 E-PRO là một phần của dòng sản phẩm UMG (Universal Measuring Device) của Janitza, nổi bật với khả năng xử lý tín hiệu số tốc độ cao và bộ nhớ lớn. Với mã sản phẩm 5216202, đây là phiên bản UMG 604 E-PRO được cấp nguồn 230V AC, và thường có chứng nhận UL (Underwriters Laboratories), phù hợp với các thị trường và ứng dụng yêu cầu tiêu chuẩn an toàn nghiêm ngặt. Thiết bị này không chỉ là một đồng hồ đo năng lượng thông thường mà còn là một công cụ mạnh mẽ để quản lý năng lượng và đảm bảo chất lượng điện.

2. Đặc trưng nổi bật
UMG 604 E-PRO 230V được trang bị nhiều tính năng vượt trội, mang lại hiệu suất và độ tin cậy cao:
Phân tích chất lượng điện năng chuyên sâu:
Phân tích sóng hài: Đo lường và phân tích sóng hài (harmonics) lên đến bậc 40 cho cả điện áp (U), dòng điện (I), công suất tác dụng (P) và công suất phản kháng (Q).
Ghi nhận sự kiện chất lượng điện: Tự động phát hiện và ghi lại các sự kiện như gián đoạn ngắn hạn (short-term interruptions > 20 ms), sụt áp (dips), quá áp (swells), và các xung áp (transients > 50 µs).
Phân tích mất cân bằng pha: Đo lường các chỉ số mất cân bằng pha và các thành phần thứ tự thuận, thứ tự nghịch, thứ tự không.
Ghi nhận dòng khởi động: Phát hiện và lưu trữ các dòng khởi động (inrush currents) của thiết bị.
Đo lường năng lượng chính xác:
Đo điện năng tác dụng (kWh) với độ chính xác Class 0.5S theo IEC 62053-22 (cho biến dòng ../5A) và Class 1 (cho biến dòng ../1A).
Đo lường điện năng phản kháng (kVarh).
Đo hơn 800 thông số điện bao gồm điện áp, dòng điện, tần số, công suất (tác dụng, phản kháng, biểu kiến), hệ số công suất.
Bộ nhớ lớn và ghi dữ liệu: Tích hợp bộ nhớ 128 MB Flash, cho phép lưu trữ tới 5.000.000 thông số trong khoảng thời gian dài (có thể lên đến 2 năm tùy cấu hình), hỗ trợ ghi dữ liệu liên tục.
Chức năng PLC tích hợp (Jasic®): Khả năng lập trình đồ họa và trực tiếp bằng ngôn ngữ Jasic®, cho phép chạy đồng thời tới 7 chương trình do người dùng định nghĩa, ví dụ: giám sát các quy trình, cảnh báo khi đạt ngưỡng giới hạn, hoặc thực hiện các tác vụ điều khiển đơn giản.
Giao tiếp đa dạng:
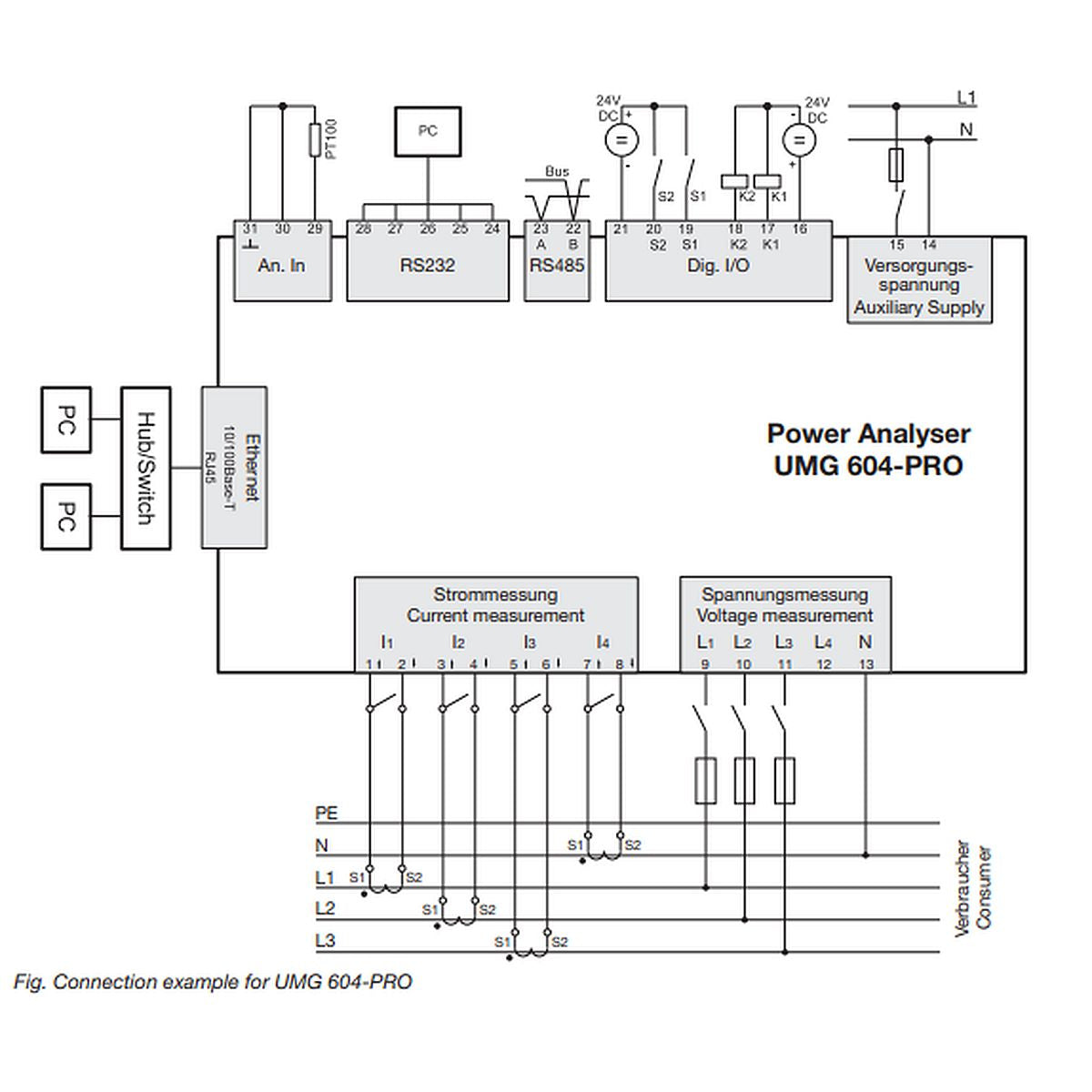
Ethernet 10/100BaseTX: Tích hợp Web Server, hỗ trợ các giao thức như Modbus/TCP, SMTP (email cảnh báo), FTP, NTP.
RS485: Hỗ trợ Modbus RTU (Master/Slave) với tốc độ cao lên đến 921.6 kbps.
RS232: Cổng giao tiếp nối tiếp.
Tùy chọn: Profibus DPV0, BACnet (qua kích hoạt phần mềm).
Đầu vào/Đầu ra linh hoạt: Bao gồm 4 đầu vào đo điện áp, 4 đầu vào đo dòng điện (qua biến dòng ../1A hoặc ../5A), 2 đầu vào digital, 2 đầu ra digital và 1 đầu vào đo nhiệt độ (PT100/PT1000).
Thiết kế công nghiệp:
Lắp đặt trên thanh ray DIN 35mm (DIN Rail), kích thước nhỏ gọn (khoảng 90 x 92 x 107.5 mm).
Vỏ chống cháy UL 94V-0, đạt cấp bảo vệ IP20.
Hoạt động ổn định trong dải nhiệt độ rộng từ -10°C đến +55°C.
Màn hình LC với đèn nền (có thể tùy chọn màn hình màu TFT ở các phiên bản cao hơn).
3. Thông số kỹ thuật chính
Mã sản phẩm: 5216202
Loại thiết bị: Power Quality Analyzer / Multifunctional Meter
Nguồn cấp: 95-240V AC (45-65Hz) hoặc 135-340V DC
Đầu vào điện áp: 4 kênh, dải đo L-N: 10-300V, L-L: 17-520V (CAT III 300V)
Đầu vào dòng điện: 4 kênh, qua biến dòng (CT) ../1A hoặc ../5A
Độ chính xác:
Năng lượng tác dụng: Class 0.5S (CT ../5A), Class 1 (CT ../1A)
Dòng điện/Điện áp: 0.2%
Tần số: ±0.01 Hz
Phân tích sóng hài: Đến bậc 40 (U, I, P, Q)
Ghi sự kiện: Gián đoạn ngắn hạn (> 20 ms), xung áp (> 50 µs), dòng khởi động.
Bộ nhớ trong: 128 MB Flash
Giao tiếp: Ethernet (Modbus/TCP, Web Server, FTP, SMTP), RS485 (Modbus RTU Master/Slave), RS232
Đầu vào/Đầu ra: 2 Digital In, 2 Digital Out, 1 Temperature In (PT100/PT1000)
Màn hình: LCD có đèn nền (tùy chọn TFT)
Lắp đặt: DIN Rail (6 HP)
Kích thước (WxHxD): Khoảng 90 x 92 x 107.5 mm
Trọng lượng: Khoảng 350 g
Nhiệt độ hoạt động: -10°C đến +55°C
Cấp bảo vệ: IP20

4. Ứng dụng
Janitza UMG 604 E-PRO 230V (5216202) là một công cụ đa năng, lý tưởng cho nhiều ứng dụng quan trọng trong quản lý năng lượng và đảm bảo chất lượng điện:
Hệ thống quản lý năng lượng (EMS): Là thiết bị chủ cho việc thu thập dữ liệu tiêu thụ năng lượng theo tiêu chuẩn ISO 50001, giúp tối ưu hóa chi phí điện và giảm tổn thất.
Giám sát chất lượng điện năng: Phát hiện và phân tích các vấn đề về chất lượng điện như sóng hài, sụt áp, quá áp, gián đoạn ngắn hạn để bảo vệ thiết bị và duy trì hoạt động liên tục.
Trung tâm dữ liệu và tòa nhà thông minh: Giám sát toàn diện hệ thống điện, đảm bảo nguồn điện ổn định và hiệu quả cho các thiết bị nhạy cảm.
Nhà máy sản xuất và công nghiệp nặng: Kiểm soát tải điện, phân tích nguyên nhân tiêu thụ điện bất thường, theo dõi hiệu suất máy móc.
Tối ưu hóa phụ tải đỉnh: Giúp quản lý và tránh các phụ tải đỉnh tốn kém bằng cách đưa ra cảnh báo hoặc thực hiện các hành động điều khiển tự động.
Tích hợp hệ thống điều khiển: Hoạt động như một bộ chuyển đổi giá trị đo lường cho PLC hoặc hệ thống điều khiển tòa nhà (BMS) thông qua các giao thức truyền thông đa dạng.
Hệ thống điện mặt trời (Zero Export): Thích hợp cho việc giám sát và điều khiển để đảm bảo hệ thống điện mặt trời không phát ngược lên lưới (zero export), nhờ khả năng đo công suất hai chiều và các tính năng lập trình.